BMW Remmen voor BMW 3 Serie E21 (vanaf 1975)

Bestel de beste remmen voor uw BMW bij onlinebmwparts.nl

Welkom bij de BMW Remmen categorie van OnlineBMWparts.nl! Hier kunt u voor diverse BMW Remonderdelen voor verschillende BMW modellen vinden. U kunt bij ons gemakkelijk de geschikte BMW Remonderdelen voor uw BMW vinden. Vul uw kenteken of chassisnummer in of kies handmatig uw BMW model. Vervolgens blijven alleen de onderdelen zichtbaar die geschikt zijn voor uw BMW model.

BMW remmen zijn een essentieel onderdeel van uw auto. Ze zorgen ervoor dat hij niet meer kan bewegen, en als ze het laten afweten, kunt u in grote problemen komen! Als u nieuwe remmen voor uw BMW nodig hebt, bieden wij u een ruime keuze aan hoogwaardige producten.

Assortiment

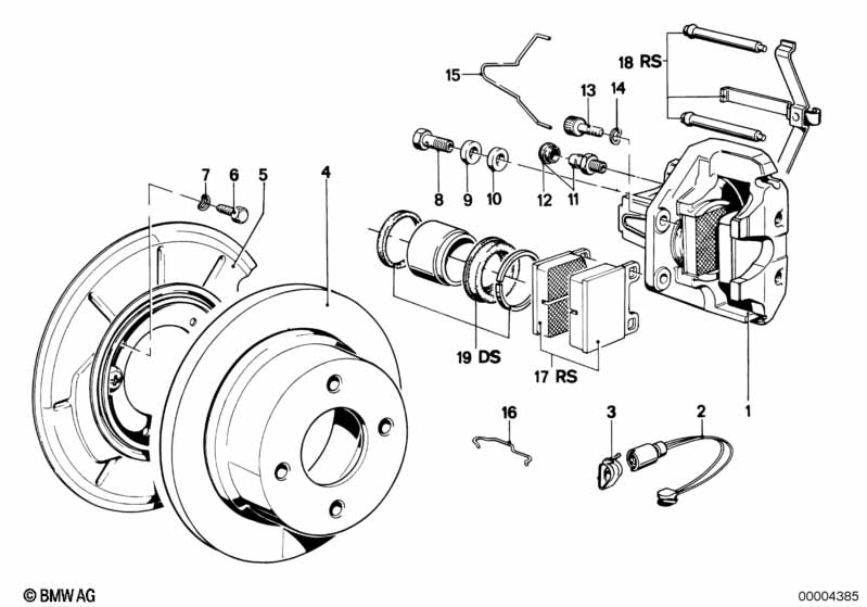
Wij bieden hoogwaardige producten waarmee u uw voertuig kunt repareren en in goede staat kunt houden. OnlineBMWparts.nl biedt een brede selectie van BMW remonderdelen. Denk daarbij aan complete remsets, remschijven remblokken en sensoren.

M-Sport remsysteem

De M-Sport remsystemen die verkrijgbaar zijn bij OnlineBMWparts.nl zijn perfect voor het leveren van uitstekende stopkracht wanneer u uw auto klaar wilt maken voor elk avontuur.

Lees meer